超聲波傳感器UB2000-F42-I-V15(漫反射型和反射板型超聲波傳感器)

產品·特點
——超聲波傳感器產品特性——
●模擬量輸出4mA...20mA ●盲區小 ●可設定 ●固定干擾源抑制(在近距離內調整聲錐的寬度) ●溫度補償 ●同步功能 ●工作模式可選 |
|
產品·參數規格
——超聲波傳感器產品規格——
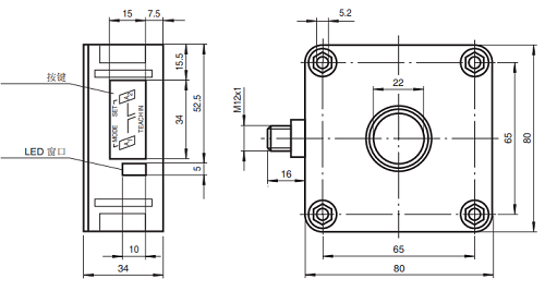
通用規格——
感應范圍:60...2000mm
調整范圍:90...2000mm
死區:0...60mm
標準目標板:100mmx100mm
換能器頻率:大約175kHz
響應延遲:大約150ms
指示燈/操作方法——
綠色LED:綠色常亮:通電
黃色LED:常亮:物體在評估范圍內
閃爍:程序功能
紅色LED:正常運行:“故障”
程序功能:未檢測到物體
電氣技術規格——
工作電壓:10...30VDC,紋波10%SS
空載電流:≤50mA
超聲波傳感器同步問題:
為避免相互干擾,接近開關帶有一個同步連接端。如果不使用同步功能,接近開關根據內部周期工作。多個接近開關的同步功能可以通過以下方法實現。
外部同步:
接近開關可以通過外部提供方波信號實現同步。同步輸入端的一個同步脈沖啟動一個測量周期,脈沖寬度必須大于100us,測量周期開始于脈沖信號的下降沿。當同步輸入端輸入低電平的持續時間>1s或不接時,接近開關將進入標準工作模式。同步輸入端輸入高電平將使接近開關停止工作。
使用外部同步時的兩種工作模式:
-多個接近開關用同一個同步信號控制,接近開關同步工作
-同步脈沖循環地加在每個接近開關上,接近開關工作在多重模式
自同步:
最多可將5個帶有自同步選項的接近開關的同步端連接在一起。上電后接近開關將工作在多重模式下,響應延時將隨同步工作的傳感器數目的增加而增加。當接近開關進入學習模式時,不能使用同步功能(使用同步功能時,也不能進入學習模式)。要設定開關點時,接近開關必須工作在非同步模式下。
注意:如果不需要使用同步功能,同步輸入端應該接地(0V),也可選用V1連接器(4針)。


